您现在的位置是:首页 > 新闻资讯网站首页新闻资讯
裕龙岛炼化一体化项目(一期)环评公示,快来看看装置有哪些?附项目进展梳理
火线推进速度的山东裕龙岛炼化一体化项目又有新进展了!2020年7月17日,生态环境部官网公布已于7月15日受理了“裕龙岛炼化一体化项目(一期)”建设项目环境影响评价文件,并将相关情况予以公示,公示期为2020年7月17日—2020年7月30日(10个工作日)。

项目名称:裕龙岛炼化一体化项目(一期)
建设单位:山东裕龙石化有限公司
建设性质:新建
建设地点:山东省龙口市山东裕龙石化产业园位于龙口市西部裕龙岛,起步区面积暂定35.23km2,填岛工程 2010 年底开工建设。裕龙岛炼化一体化项目 (一期)位于 2#、3#岛,拟建厂址现状为填海形成的陆域人工岛屿。
评价单位:中石化洛阳工程有限公司
项目建设内容:裕龙岛炼化一体化项目(一期)拟建设 2000 万吨/年原油加工能力和 2×150 万吨/年乙烯装置。



生产装置主项
小编摘取了部分环评报告中对项目建设特点的描述:
1、炼化一体化优势
本项目按照炼油、芳烃、乙烯一体化的加工方式进行设计,原油加工能力 2000 万 吨/年,乙烯生产能力达到 300 万吨/年,配套建设下游化工装置。通过重油催化热裂解将“重油”转化为 C2~C10化工原料,可保证两套乙烯(2×150 万吨/年)的原料供应,乙烯裂解采用优质轻烃,使乙烯装置的原料更趋优质化和低成本化。同时项目引入煤生产高纯度氢气,为生产清洁油品提供有力保障。项目采用中国石化的大型渣油加氢技术,在保证乙烯原料需求的基础上将原油最大化的转化为清洁油品、特色光亮油、白油和芳烃。
2、装置大型化
本项目常压装置和常减压装置规模均为1000万吨/年,340万吨/年柴油加氢改质和360万吨/年柴油加氢裂化装置、400万吨/年催化裂解装置、300万吨/年催化裂化装置、4×15 万吨/年硫磺回收装置、2×150 万吨/年乙烯装置均属于大型装置。工艺装置规模及设备的大型化,可降低物耗及能耗提高劳动生产率和经济效益,为实现清洁生产全过程控制提供有利条件。
3、大规模采用加氢工艺
本项目总加氢能力达到 2640万 t/a,占原油一次加工规模的132%,达到了较高的水平。加氢工艺可以全面提高油品质量和原油加工深度,提高了二次加工原料及成品油的品质,确保项目全过程实现清洁生产。本项目汽柴油产品全部满足国Ⅵ质量标准要求。
4、环保型渣油处理工艺
本项目原油加工量 2000 万吨/年,项目设计加工原油为中东沙轻和科威特的混合原油(质量混合比例 1:1),渣油产量为 661.5 万吨/年。考虑到技术和产品灵活性,本项目的重油加工设置了两条路线,一条路线为固定床渣油加氢+催化裂解(DCC)路线,另一条为溶剂脱沥青+浆态床渣油加氢+催化裂化路线。两条路线的配置可灵活应对未来产品市场的变化和加工原油品质的变化。
炼油产品方案的选择
炼油部分原油规模按 2000 万吨/年进行规划设计。产品方案以生产两套 150 万吨/年乙烯裂解原料(供 1#、2#乙烯装置)和芳烃为主,同时适产部分油品、润滑油和白油料。炼油部分油品(汽、煤、柴)收率 12.5%左右,避免了成品油过剩销路不畅的问题。混合二甲苯产量 329.16 万吨/年。汽油组分油和柴油均满足国Ⅵ质量标准。

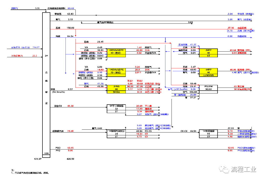
1#乙烯及下游装置工艺流程图

2#乙烯及下游装置工艺流程图
化工部分产品方案
结合有关市场咨询机构对化工产品市场的需求预测,确定本项目化工产品方案为:聚乙烯(包括 HDPE、LLDPE、EVA/LDPE、UHMWPE)、乙二醇和苯乙烯,丙烯下游主要产品为聚丙烯、PO、丙烯腈。乙烯装置副产混合碳四组分经抽提丁二烯,由苯乙烯、丁二烯及丙烯腈为原料进一步延伸的 ABS。利用项目产出丁二烯和苯乙烯配置了两套橡胶产品装置,可产出橡胶产品包括丁戊橡胶和集成橡胶。乙烯副产粗裂解汽油经加氢后通过芳烃抽提分离得到苯、二甲苯、甲苯及芳烃抽余油,其中甲苯、二甲苯及芳烃抽余油送炼油部分作原料,化工自产苯全部由化工部分 EB/SM及PO/SM装置自用。此外,利用丙烯腈生产副产氢氰酸为原料生产乳酸。其中HDPE、UWMHPE、EVA/LDPE、PP、PO、丙烯腈、乳酸、丁戊橡胶、集成橡胶等化工产品,产品附加值高、性能优良、市场短缺、既可作为终端产品外销市场,也可以适时增加下游加工装置,不但可以缓解部分市场需求,而且可以为未来园区进一步发展、拓宽市场、延伸产业链提供创造必要物质条件。
裕龙石化产业布局规划

项目平面布置图



项目背景及进展
2019 年 2 月,山东省第十三届人大第二次会议政府工作报告中指出,山东省政府将全力推进烟台裕龙炼化一体化项目前期工作。为推进裕龙炼化一体化项目实施,山东省人民政府决定成立山东裕龙石化产业园(其前身即为龙口高端化工新材料产业集中 区),列入 2019 年 6 月山东省人民政府办公厅发布的《山东省人民政府办公厅关于公 布第四批化工园区和专业化工园区名单的通知》。
2019 年 8 月烟台市人民政府以《烟台市人民政府办公室关于山东裕龙石化产业园 起步区面积及四至范围有关问题的通知》文件,确定山东裕龙石化产业园起步区面积为 35.23 平方公里。
2019 年 9 月 10 日龙口市人民政府以龙政规字【2019】37 号对山东裕龙石化产业 园总体规划进行了批复,2019 年 9 月 11 日山东省生态环境厅以鲁环审【2019】14 号 对山东裕龙石化产业园总体规划环境影响报告书出具了审查意见。
2020 年 1 月 26 日国家发改委、工信部、国家能源局联合复函山东,同意项目列为 《石化产业布局规划方案(修订版)》储备项目。
2020 年 6 月 1 日国家发改委、工信部、国家能源局以《关于将裕龙岛炼化一体化 项目(一期)由储备项目转为规划项目的复函》同意将裕龙岛炼化一体化项目(一期) 由储备项目转为规划项目。
2020 年 6 月 2 日山东省发展和改革委员会出具裕龙岛炼化一体化项目(一期)核准批复(鲁发改政务【2020】73 号)。
上一篇:煤化工“战略意义”名不符实
